NOSE GEAR RUBBER BUSHING
By Paul Lamar - TR-4 Builder
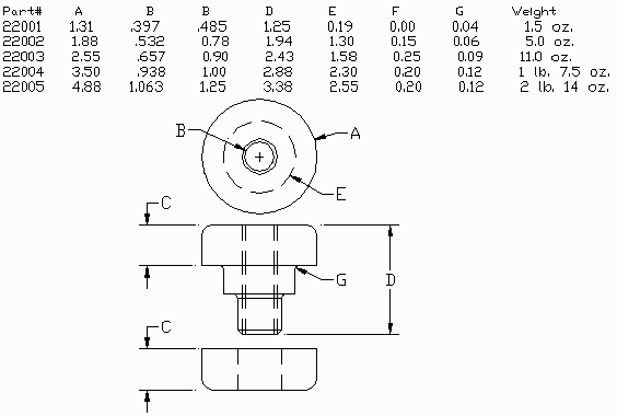
I intend replacing the nose gear shock absorber rubber bushing I got with the kit with a larger more suitible, higher rated 22001 series unit from Barry Controls. Here are the dimension and a picture. More pictures of the actual installtion shortly as I have some on order from McMaster Carr.
I don't consider the supplied shock bushing to be near the proper rating.
Paul Lamar
![]() |
Here is a picture of the 22001 Barry rubber bushing installed on the
nose gear. The bracket must be drilled out with a 3/4 inch hole. I used a
hole saw.
The static load rating on this bushing is 250 pounds. Far higher than any shock absorber bushing. The next size up will give you up to 630 pounds static rating but you will have to sleeve the hole in the rubber mount steel spacer with another smaller steel spacer 1/2 inch OD with a 3/8 ID. Page 956 in the 105 Mcmaster Carr catalog. $5.50 Comes with snubbing washer. Vibration Control Mounts in the index. Paul Lamar |
| Rated
Static Load Per Mount (Table) ![]() |
![]() |